Ôn Châu Joepai Valve Co., Ltd.
Ôn Châu Joepai Valve Co., Ltd.
Tin tức

Tin tức

Tại sao Van bi áp suất cao 3 mảnh bằng thép rèn tiết kiệm chi phí của chúng tôi là một lựa chọn tốt?

Van bi cao áp bằng thép rèn 3 mảnh là gì?

A Van bi cao áp 3 mảnh bằng thép rèndùng để chỉ van bi có độ bền cao với cấu trúc thân ba mảnh được nối với nhau bằng bu lông. Bộ phận đóng của nó là một quả bóng được gia công chính xác, được thân van xoay quanh đường tâm của thân van để đạt được khả năng đóng, phân phối hoặc chuyển đổi dòng chảy nhanh chóng của môi trường.


Mô tả sản phẩm

Van bi thép rèn 3 mảnh dễ vận hành, nhỏ gọn, kín đáng tin cậy, cấu trúc đơn giản và dễ bảo trì. Bề mặt bịt kín và quả bóng luôn ở trạng thái khép kín khiến chúng ít bị môi trường ăn mòn hơn. Chúng được sử dụng rộng rãi trong các ngành công nghiệp khác nhau.

Thân van được hình thành bằng quy trình rèn và vật liệu có thể là thép không gỉ (như F304, F316) hoặc thép carbon (như A105). Vật liệu thép rèn có các đặc tính như kết cấu dày đặc, tính chất cơ học tuyệt vời và khả năng chống va đập mạnh nên đặc biệt thích hợp với điều kiện làm việc áp suất cao và cường độ cao.

Theo nhu cầu của hệ thống đường ống, có thể chọn nhiều phương thức kết nối khác nhau, chẳng hạn như kết nối ren (NPT, BSP-P(G), BSPT(Rc)), hàn đối đầu (BW), hàn ổ cắm (SW)g hoặc kết nối mặt bích, mang lại khả năng lắp đặt linh hoạt và khả năng thích ứng mạnh mẽ.

Áp suất thiết kế có thể đạt tới 1500LB, phù hợp với các hệ thống vận chuyển áp suất cao trong các lĩnh vực như dầu khí, công nghiệp hóa chất và khí đốt tự nhiên.


Tiêu chuẩn van bi thép rèn 3 mảnh:

1) Tiêu chuẩn thiết kế và sản xuất: BS5351, MSS SP-118

2) Kích thước đầu kết nối: ANSI B16.10, JB/T1715

Kích thước đầu mối hàn: ANSI B16.11, JB/T1715

Kích thước đầu ren: ANSI B1.12.1, JB/T7306

Kích thước đầu mối hàn: ANSI B16.25, JB/T12224

3) Kiểm tra và thử nghiệm: API 598

4) Tiêu chuẩn vật liệu: ANSI/ASTM


3-Piece Forged Steel High-pressure Ball Valve


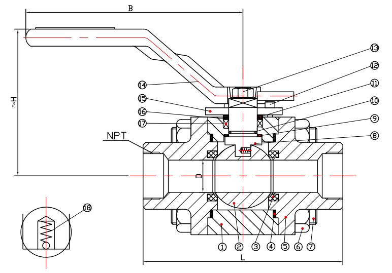
Bảng vật liệu chính:

KHÔNG. Tên một phần Thép cacbon thép không gỉ
1 Thân hình A105 F304 F304L F316 F316L
2 Quả bóng SS304 F304 SS304L SS316 SS316L
3 Ghế PTFE,RPTFE
4 Vòng đệm SS304/SS316 + Than chì
5 mũ lưỡi trai A105 F304 F304L F316 F316L
6 Hạt A194-2H A194-8 A194-8M
7 bu lông A193-B7 A193-B8 A193-B8M
8 Thân cây SS304 F304 SS304L SS316 SS316L
9 Máy giặt lực đẩy PTFE,RPTFE
10 Vòng chữ O Viton
11 tuyến SS304 SS304 SS304 SS316 SS316
12 bu lông 1035
13 Hạt thép không gỉ
14 Xử lý WCB 、 Thép không gỉ
15 Tấm giới hạn 1025
16 Ngăn chặn vòng lửa SS304, SS316
17 đóng gói than chì
18 Mùa xuân SS304, SS316


Bảng kích thước chính:

DN mm NPS(Inch) L mm Đmm Hmm
15 1/2” 92 13 66
20 3/4” 112 19 72
25 1” 126 24 100
32 4/11” 129 30 105
40 2/11” 152 38 112
50 2” 176 49 122


3-Piece Forged Steel High-pressure Ball Valve3-Piece Forged Steel High-pressure Ball Valve3-Piece Forged Steel High-pressure Ball Valve3-Piece Forged Steel High-pressure Ball Valve



Đảm bảo sản xuất chuyên nghiệp – Ôn Châu Joepai Valve Co., Ltd.

Là một công ty chuyên nghiên cứu, phát triển và sản xuất van bi bằng thép không gỉ và thép carbon,Ôn Châu Joepai Valve Co., Ltd.tọa lạc tại Khu công nghiệp Binhai của quận Longwan, Ôn Châu, được mệnh danh là "Thành phố Van của Trung Quốc". Công ty tự hào có cơ sở sản xuất hiện đại và hệ thống kiểm soát chất lượng toàn diện. Công ty được trang bị:

Trung tâm R&D chuyên nghiệp và thiết bị gia công CNC

Dụng cụ kiểm tra nâng cao (chẳng hạn như dụng cụ phân tích đa nguyên tố trên máy tính, máy kiểm tra độ cứng Leeb và máy đo độ dày)

Máy kiểm tra áp suất, máy kiểm tra vòng đời và các nền tảng kiểm tra toàn bộ quy trình khác

Dựa vào các quy trình nghiêm ngặt và sự đổi mới liên tục, Joepai Valve đảm bảo rằng mọi van bi áp suất cao bằng thép rèn 3PC đều đáp ứng các yêu cầu về hiệu suất tiêu chuẩn cao, mang đến cho khách hàng sự an toàn, đáng tin cậy vàgiải pháp van bền.


Tin tức liên quan
Để lại cho tôi một tin nhắn
X
Chúng tôi sử dụng cookie để cung cấp cho bạn trải nghiệm duyệt web tốt hơn, phân tích lưu lượng truy cập trang web và cá nhân hóa nội dung. Bằng cách sử dụng trang web này, bạn đồng ý với việc chúng tôi sử dụng cookie. Chính sách bảo mật
Từ chối Chấp nhận