Ôn Châu Joepai Valve Co., Ltd.
Ôn Châu Joepai Valve Co., Ltd.
Tin tức

Tin tức

Biết thêm về Van bóng loại góc của chúng tôi

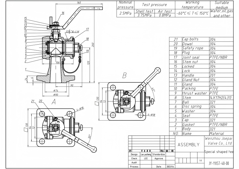
Nội dung kỹ thuật (được tối ưu hóa chính xác):

Được thiết kế cho ô tô xe tăng hydrocarbon hóa lỏng (LPG)Van bóngCung cấp hiệu suất tắt không thỏa hiệp theo TU 3742-002-11812221-2014. Với cuộc sống thiết kế 40 năm và phiên bản khí hậu UKHL1, các van DN40 PN25 này đảm bảo an toàn trong quá trình tải/dỡ hàng.


Đặc trưng:

Cuộc sống phục vụ được giao: 40 năm

Độ bền cơ học: 8.000 chu kỳ hoạt động

Thất bại kháng cự:> 1.000 chu kỳ MTBF

Chứng nhận khí hậu: UKHL1 (Tiêu chuẩn khí hậu cực đoan của Nga)

Lớp niêm phong: Gost R 54808-2011 Lớp B (Kiểm soát rò rỉ hàng đầu trong ngành)

Xếp hạng áp suất: PN25 (25 kg/cm²)

Hướng dòng chảy: hai chiều

Kết nối: RF mặt bích trên mỗi tiêu chuẩn GOST



Lớp vật liệu thành phần (GOST):

Body: 12x18n9tl/SS321/SS304 Thép đúc chống ăn mòn

Bóng: 12x18n10t / cf8 austenitic không gỉ

STEM: 14х17/2/F304 Sức mạnh cao

Chỗ ngồi: In trơ hóa học fluoroplastic-4/ptfe

SEAL: Fluoroplastic-4 + mở rộng than chì


Xác thực hoạt động:

Loại ổ đĩa: đòn bẩy thủ công (tay cầm ST20/09G2S)

Giao thức thử nghiệm: Kiểm tra thủy tĩnh ở 3,8 MPa


Trước :

-

Tin tức liên quan
Để lại cho tôi một tin nhắn
X
Chúng tôi sử dụng cookie để cung cấp cho bạn trải nghiệm duyệt web tốt hơn, phân tích lưu lượng truy cập trang web và cá nhân hóa nội dung. Bằng cách sử dụng trang web này, bạn đồng ý với việc chúng tôi sử dụng cookie. Chính sách bảo mật
Từ chối Chấp nhận