Ôn Châu Joepai Valve Co., Ltd.
Ôn Châu Joepai Valve Co., Ltd.
Tin tức

Tin tức

JOEPAI ra mắt Van cứu hỏa bằng thép không gỉ 304 tiết kiệm chi phí mới - Khả năng chống ăn mòn vượt trội đáp ứng tiêu chuẩn AS2419.2

JOEPAItự hào giới thiệu cải tiến mới nhất của mình về cơ sở hạ tầng phòng cháy chữa cháy:Phạm vi mới củaVan chữa cháy bằng thép không gỉ 304. Được thiết kế để đảm bảo độ bền, sự tuân thủ và giá trị, những van này mang đến mộtthay thế vượt trội cho các mẫu đồng thau truyền thống—cung cấp khả năng chống ăn mòn nâng cao ở mức giá cạnh tranh hơn.

Được thiết kế phù hợp vớiAS/NZS 2419.2:2009, van vòi mới lý tưởng cho nhiều ứng dụng, bao gồm hệ thống chữa cháy thương mại, công nghiệp và dân dụng, đặc biệt là ởmôi trường khắc nghiệt như biển và khai thác mỏ.


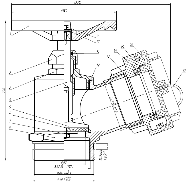
Stainless Steel 304 Fire Hydrant Valves

Điểm nổi bật của sản phẩm:

Loại chủ đề: Bộ chuyển đổi Storz rèn 65mm BSP góc cạnh có nắp nhựa UV

Loại đầu vào: Cuộn có rãnh 80mm

Lớp vật liệu: Thân, Nắp, Đĩa, Đai ốc trong CF8 (SS304); Thân trong SS316 để tăng cường sức mạnh

Vật liệu đóng dấu: Cao su NBR cho hiệu suất chống rò rỉ đáng tin cậy

tay quay: Gang HT200 bền bỉ

Hoàn thành: Lớp phủ sơn màu đỏ có khả năng hiển thị cao

Áp suất làm việc: 1.400 kPa

Áp suất thử thủy tĩnh: 2.700 kPa

Kiểm tra độ kín khí: 800 kPa

Bảo hành: 12 tháng


Tuân thủ kỹ thuật:

Được thiết kế và thử nghiệm đểAS2419.2-2009

Tay quay vận hành êm ái không bị kẹt sau khi lắp ráp

100% được kiểm tra và thử nghiệm—không có khuyết tật sau khi kiểm tra độ kín khí và thủy tĩnh


Tại sao chọn SS304 thay vì đồng thau?

Chống ăn mòn tốt hơn: Lý tưởng cho môi trường khắc nghiệt nơi đồng thau có thể xuống cấp theo thời gian

Hiệu quả về chi phí: Cung cấp giải pháp hợp lý hơn mà không ảnh hưởng đến chất lượng hoặc hiệu suất

Nhẹ nhưng mạnh mẽ: Dễ dàng xử lý và lắp đặt hơn trong khi vẫn duy trì tính toàn vẹn của cấu trúc


Các cấu hình có sẵn khác:

Cuộn 65mm NSW Nam x 80mm có rãnh

65mm CFA Nam x 80mm cuộn có rãnh

65mm QRT Nam x 65mm Nam BSP

Cuộn 65mm BI x 80mm Có rãnh

65mm QRT Nam x 80mm cuộn có rãnh

Bộ chuyển đổi Storz 65mm x BSP nam 65mm

Cho dù bạn đang nâng cấp hệ thống hiện có hay chỉ định cho một dự án mới, van vòi SS304 mới của JOEPAI đều cung cấpsự cân bằng hoàn hảo giữa hiệu suất, sự tuân thủ và khả năng chi trả.

Liên hệ với chúng tôi ngay hôm nayđể tìm hiểu thêm hoặc yêu cầu báo giá.

Tin tức liên quan
Để lại cho tôi một tin nhắn
X
Chúng tôi sử dụng cookie để cung cấp cho bạn trải nghiệm duyệt web tốt hơn, phân tích lưu lượng truy cập trang web và cá nhân hóa nội dung. Bằng cách sử dụng trang web này, bạn đồng ý với việc chúng tôi sử dụng cookie. Chính sách bảo mật
Từ chối Chấp nhận